Versione italiana o inglese della scheda 

 
2832GS - ELEMENTI DI FISSAGGIO RAPIDO - Prod. SCU - Orig. AMF2832GS - ELEMENTI DI FISSAGGIO RAPIDO - Prod. SCU - Orig. AMF

Salva foto in alta risoluzione

   

 Stampa la scheda
 Invia la scheda

 Apri la pagina del catalogo
 Vai ai prodotti di pag.

Prodotto precedente Prodotto precedente
Prodotto successivo Prodotto successivo

2832GS  

Prod. SCU - Orig. AMF

 

ELEMENTI DI FISSAGGIO RAPIDO

clamping devices

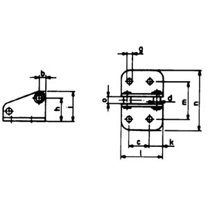
Dispositivi di serraggio sicuri e costanti di elevata qualità. Funzionamento a doppia leva, che non permette lo sganciamento in fase di tenuta. In acciaio zincato con impugnatura resistente agli olii, con bussole di supporto temprate e rettificate.
Completi di vite e puntale in resistente gomma dura. Forza min. e max (F1-F2) espressa in Newton (N).

Supporti di aggancio, per Art. 2832 GP.

 Aggiungi al carrello  

NoteCod. Art.Cad.Cod. Prod.Grandezza
Ingombro vertic. chiuso (i)
mm
Ingombro orizz. chiuso (l)
mm
Peso
grammi
GiacenzaPeso ArtQTAMIN
2832GS 1€ 26,80 129314040,040
2832GS 3€ 32,20 32940701220,070
2832GS 5€ 39,90 56155320320,320
 

News